製品詳細
光学プロファイル研削砥石の用途:
光学プロファイル研削砥石は、精密研削金型、パンチピン、光学研削・フォーム研削切削工具(エンドミルやリーマーなど)及び精密機器に使用されます。
被削材の材質:
-ダイヤモンド研削砥石:硬脆切削材料(炭化タングステン、サーメット、セラミックなど)用
-CBN砥石:熱処理鋼用(SKH、SKD、SKSなど)

光学プロファイル研削砥石のメリット:
高速研削ができ
精密研削ができ
形状維持がよし
長寿命
スケッチ・スペック

| モデル | D(mm) | U(mm) | X(mm) | L(mm) | T(mm) | H(mm) | グリット |
| 3A1 ダイヤモンド & cbn ホイール |
30 150 180 |
0.5 2.0 5 |
3 |
5-10 |
3 5 7 10 |
4.77 8 12 22.23 24 31.75 32 |
#140 - #1000 |

| モデル | D(mm) | W(mm) | θ | R | T(mm) | H(mm) | グリット |
|
14K1 ダイヤモンド& cbnホイール |
30 | 3 | 5°
15° 20° |
0.03-0.2 | 3 |
4.77 8 12 22.23 24 31.75 32 |
#140- #1000 |
| 65 | 5 | 5 | |||||
| 75 | |||||||
| 80 | |||||||
| 100 | 7 | ||||||
| 125 | |||||||
| 150 | |||||||
| 180 |

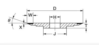
| モデル | D(mm) | W(mm) | θ | R | T(mm) | H(mm) | グリット | X(mm) |
| 1B9ダイヤモンド& cbnホイール | 30 | 3 | 5°-15°-20° | 0.03-0.2 | 3 | 4.77 8 12 22.23 24 31.75 32 | 140- 1000 | 1 |
| 65 | 5 | 5 | ||||||
| 75 | ||||||||
| 80 | ||||||||
| 100 | 7 | |||||||
| 125 | ||||||||
| 150 | ||||||||
| 180 | ||||||||
| お客様のご要望に応じて、他のサイズとグリットがカスタマイズできます。 | ||||||||
関連製品
お問い合わせ
気軽にメッセージください。いつでもどこでもお待ちしております。
