Moresuperhard CNC内面円筒研削盤の詳細
当社の汎用内面円筒研削盤は、フランジ部品、スピンドルシャフト、スピンドルハウジング、ローターシャフト、ブッシュ等工作機械、駆動要素、航空宇宙等の分野に使います。


1.FANUCのオペレーティングシステム

►全自動サイクル研削、荒砥、ドレッシング、仕上げ砥、ノンスパーク研削。
►柔軟な制御、追加機能、操作しやすい。
►異常履歴記録、トラブルシューティング指示、アフターサービスの効率と品質を向上させます。
►研削のデジタル化、精度向上、標準化、安定した製品品質。
2. 研削データー

| 
 内径研削範囲  | 
Φ6-200mm | 
| 研削最大穴深さ | 170mm | 
| 
 テーブルの最大移動量  | 
>500mm | 
| 砥石主軸回転数 | 0-32000rpm | 
| 
 X/Z軸送りの最小分解能  | 
0.001mm | 
| 拡張ワークベンチとセンターフレームのクランプ長さ | 800mm | 
3.研削盤のベッド構造

►高剛性
ベッド、砥石枠、ワークヘッド枠、送り機構等の高剛性設計により、大型品、高切り込み、高硬度品の内穴研削においても大丈夫
►効率的
異なる穴径の研削に適応するために、異なる研削スピンドルが選択されます。 ドレッシングにはダイヤモンドペンの他にローラードレッシングも用意されています。 ビトリファイドCBN研削ホイールで効率的に研削することができ、Marpossの内径ゲージでオンラインで内径測定を行うことができます。
►高い安定性
工作機械の主要部品は、工作機械の信頼性と精度の安定性を確保するために、トップ級国際ブランドが採用されています。
►高い利便性
グラフィカルなソフトウェア設計により、オペレータは便利なインターフェイスを通じてパラメータを入力し、ワークの研削、砥石のドレッシング、オンライン測定及びその他の関連プログラムを迅速に生成できます。
►高い安全性
完全密閉型工作機械保護カバー、高級強化ガラス観察窓、緊急停止、ワンボタン復帰、安全ドアインターロック等の設計により、オペレーターの安全が保証されます。
4.ダイヤモンドロータリードレッサーシステム

ドレッシングモード:CNC自動補正ドレッシング
►ダイヤモンド又はCBN研削砥石を使用する場合、補正なしでドレッシングモードを選択できます。
►難削材を研削する場合、最高の研削品質を保証するために複数の修正及びドレッシングモードを選択できます。
5.オプションのアクセサリ
オンライン測定器

2スピンドル

油圧三爪チャック

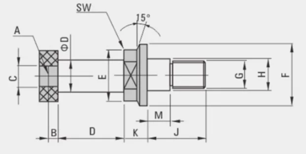
CNC内面円筒研削盤砥石軸の仕様


| 穴径 | スピンドル速度 RPM | サイズ | ||||||
| A | B | C | D | E | F | G | ||
| 80-150 | 6000 | M8 | Φ40x50 Φ40x160  | 
M26X2.0P | 28 | 42 | 16 | 18 | 
| 40-80 | 10000 | M8 | Φ20x50 Φ25x70 Φ30x90  | 
M16X1.5P | 17 | 29 | 15 | 12 | 
| 25-40 | 20000 | M6 | Φ16x40 Φ20x58 Φ24x80  | 
M14X1.5P | 15 | 27 | 10.5 | 11 | 
| 16-25 | 30000 | M4 | Φ10x25 Φ13x30 Φ16x40  | 
M10X1.5P | 10.5 | 21 | 9.5 | 9 | 
| 13-16 | 40000 | M4 | Φ8x25 Φ10x30 Φ12x40  | 
M8X1.25P | 8.5 | 19 | 8.5 | 7 | 
| 8-13 | 50000 | M4 | Φ6x20 Φ7x25 Φ8x30  | 
M7*1.0P | 7.5 | 18 | 7 | 7 | 
| 注: 最適な研削ワークの穴径と研削長さの比は 1:3 で、最大研削長さは 150mm です。 | ||||||||
関連製品
気軽にメッセージください。いつでもどこでもお待ちしております。
					